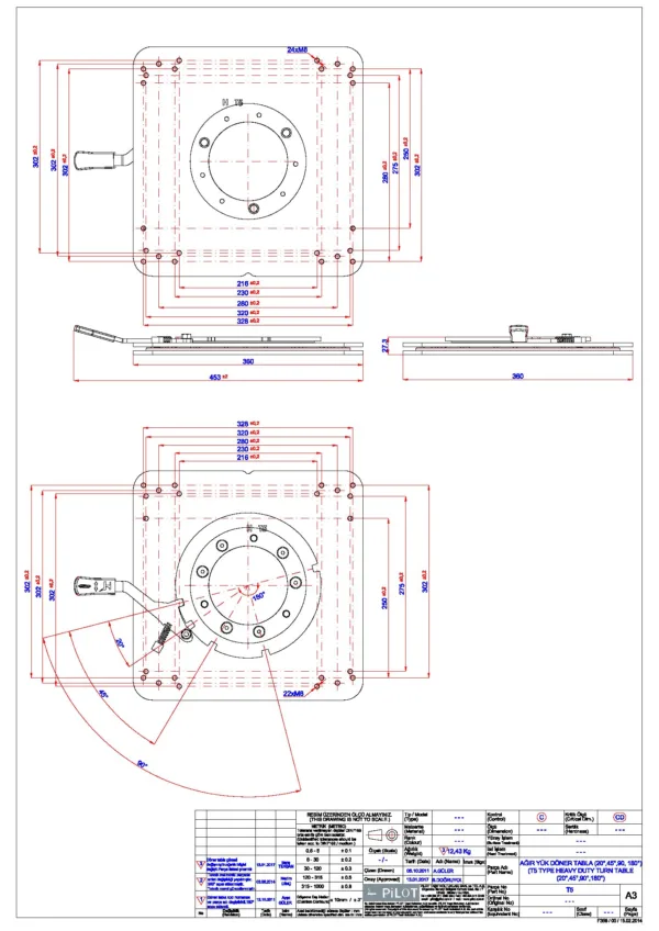
This truck seat swivel base rotates both ways and locks out in multiple positions – please see the line drawing for these. This swivel is specifically designed for truck seats with a 3 point seatbelt. The swivel comes with the most common fixing centres for trucks, among these are Iveco, Renault, Scania, Man, Mercedes.
The truck seat swivel base release handle is situated on the left hand side of the unit. The swivel can turn 360 degrees in both directions.
The release handle comes out of the left hand side of the swivel and protrudes 100mm. The top and bottom plates have the same hole patterns.








